Система стабилизации напряжения синхронного генератора на постоянных магнитах с изменяемой скоростью вращения ротора при переменной нагрузке
- Авторлар: 1
-
Мекемелер:
- Yuri Gagarin State Technical University of Saratov
- Шығарылым: Том 1 (2025)
- Беттер: 336-338
- Бөлім: ЧАСТЬ I. Электроэнергетика
- ##submission.dateSubmitted##: 25.05.2025
- ##submission.dateAccepted##: 20.06.2025
- ##submission.datePublished##: 02.11.2025
- URL: https://gynecology.orscience.ru/osnk-sr2025/article/view/680494
- ID: 680494
Дәйексөз келтіру
Толық мәтін
Аннотация
Обоснование. Перспективными источниками автономной системы электроснабжения и создания на их базе микросети являются синхронные генераторы на постоянных магнитах (СГПМ), используемые в основном на ветроэнергетических установках [1, 2]. Существуют генераторы собственных нужд (ГСН), установленные на газоперекачивающих агрегатах (ГПА), которые являются перспективным направлением для построения системы автономного электроснабжения [3]. Современная схема электроснабжения ГПА с ГСН не позволяет передавать избытки электрической мощности от генератора в систему электроснабжения КС [4]. Недостатком типовой схемы автономного электроснабжения ГПА является необходимость стабилизации частоты вращения вала турбины, что усложняет возможность регулирования технологического режима транспорта газа [5]. Проблемой использования СГПМ является нестабильность выходного напряжения при изменении величины нагрузки.
Цель — разработка системы регулирования напряжения и частоты микросети, состоящей из генератора на постоянных магнитах с изменяемой скоростью вращения ротора и потребителя электрической энергии с нелинейной нагрузкой.
Методы. При разработке системы электроснабжения на базе СГПМ и имитационной модели необходимо принять ряд допущений: отсутствие насыщения, гистерезиса и вихревых токов в магнитной цепи; полная симметрия обмоток статора; независимость индуктивностей рассеяния обмоток статора от положения ротора; отсутствие вытеснения тока в проводниках обмоток.
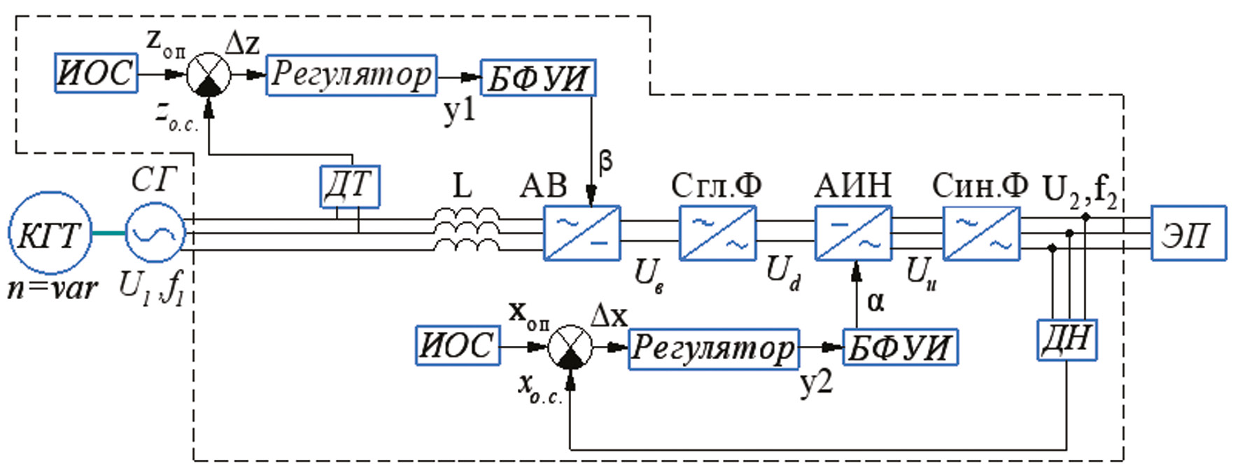
Была разработана и исследована несвязная система регулирования, состоящая из двух подсистем (рис. 1).
Рис. 1. Схема автономного электроснабжения на базе синхронного генератора на постоянных магнитах
Схема автономного электроснабжения включает в себя: компрессор газовой турбины (КГТ); синхронный генератор на постоянных магнитах (СГ); преобразователь частоты; дроссель (L); сглаживающий фильтр (Сгл.Ф); автономный инвертор (АИН); синус фильтр (Син.Ф); датчик напряжения (ДН); датчик тока (ДТ); источник опорного напряжения (ИОС); блок формирования управляющих импульсов (БФУИ); потребитель (ЭП). В представленной схеме частота вращения вала компрессора газовой турбины (КГТ) позволяет генерировать электроэнергию с частотой около 100 Гц. Более высокая частота, по сравнению с промышленной частотой 50 Гц, позволяет улучшить массогабаритные показатели установки. Данная схема позволяет регулировать и контролировать ток, потребляемый от СГПМ, совпадающий по форме и фазе с напряжением, и обеспечивать требуемый уровень выпрямленного напряжения.
Результаты. Активный выпрямитель на базе управляемых ключей (IGBT) используется в качестве регулятора напряжения и уменьшает негативное влияние преобразователя частоты на гармонический состав источника. На рис. 2 изображен гармонический состав напряжения на статоре СГПМ с использованием активного трехфазного выпрямителя. Большая часть исследований по данной теме опубликована в трудах конференций и научных журналах [2–4].
Рис. 2. Гармонический состав на статоре генератора с использованием активного выпрямителя
С помощью программного комплекса MATLAB с расширением Simulink для исследований переходных процессов в автономной системе электроснабжения на базе синхронного генератора с приводом от вала отбора мощности газовой турбины была исследована имитационная модель. Анализ работы системы показал хорошие результаты по качеству выходного напряжения при изменении нагрузки [6] (рис. 3). Осциллограмма изменения выходного напряжения при работе системы управления при увеличении частоты вращения вала на 5 % имеет едва заметное изменение, что показывает очень быструю реакцию системы управления.
Рис. 3. График изменения выходного напряжения при работе системы регулирования при резком сбросе нагрузки
Выводы. Результаты проведенных опытов на разработанной имитационной модели показывают, что система автономного электроснабжения на базе синхронного генератора на постоянных магнитах с помощью системы стабилизации способна обеспечить требуемое качество электроэнергии для электропринимающих установок потребителя при резком изменении нагрузки и скорости вращения ротора генератора. Посредством разработанной системы управления работой активного выпрямителя удалось снизить негативное влияние ПЧ на работу синхронного генератора с изменяемой скоростью вращения ротора.
Толық мәтін
Обоснование. Перспективными источниками автономной системы электроснабжения и создания на их базе микросети являются синхронные генераторы на постоянных магнитах (СГПМ), используемые в основном на ветроэнергетических установках [1, 2]. Существуют генераторы собственных нужд (ГСН), установленные на газоперекачивающих агрегатах (ГПА), которые являются перспективным направлением для построения системы автономного электроснабжения [3]. Современная схема электроснабжения ГПА с ГСН не позволяет передавать избытки электрической мощности от генератора в систему электроснабжения КС [4]. Недостатком типовой схемы автономного электроснабжения ГПА является необходимость стабилизации частоты вращения вала турбины, что усложняет возможность регулирования технологического режима транспорта газа [5]. Проблемой использования СГПМ является нестабильность выходного напряжения при изменении величины нагрузки.
Цель — разработка системы регулирования напряжения и частоты микросети, состоящей из генератора на постоянных магнитах с изменяемой скоростью вращения ротора и потребителя электрической энергии с нелинейной нагрузкой.
Методы. При разработке системы электроснабжения на базе СГПМ и имитационной модели необходимо принять ряд допущений: отсутствие насыщения, гистерезиса и вихревых токов в магнитной цепи; полная симметрия обмоток статора; независимость индуктивностей рассеяния обмоток статора от положения ротора; отсутствие вытеснения тока в проводниках обмоток.
Была разработана и исследована несвязная система регулирования, состоящая из двух подсистем (рис. 1).
Рис. 1. Схема автономного электроснабжения на базе синхронного генератора на постоянных магнитах
Схема автономного электроснабжения включает в себя: компрессор газовой турбины (КГТ); синхронный генератор на постоянных магнитах (СГ); преобразователь частоты; дроссель (L); сглаживающий фильтр (Сгл.Ф); автономный инвертор (АИН); синус фильтр (Син.Ф); датчик напряжения (ДН); датчик тока (ДТ); источник опорного напряжения (ИОС); блок формирования управляющих импульсов (БФУИ); потребитель (ЭП). В представленной схеме частота вращения вала компрессора газовой турбины (КГТ) позволяет генерировать электроэнергию с частотой около 100 Гц. Более высокая частота, по сравнению с промышленной частотой 50 Гц, позволяет улучшить массогабаритные показатели установки. Данная схема позволяет регулировать и контролировать ток, потребляемый от СГПМ, совпадающий по форме и фазе с напряжением, и обеспечивать требуемый уровень выпрямленного напряжения.
Результаты. Активный выпрямитель на базе управляемых ключей (IGBT) используется в качестве регулятора напряжения и уменьшает негативное влияние преобразователя частоты на гармонический состав источника. На рис. 2 изображен гармонический состав напряжения на статоре СГПМ с использованием активного трехфазного выпрямителя. Большая часть исследований по данной теме опубликована в трудах конференций и научных журналах [2–4].
Рис. 2. Гармонический состав на статоре генератора с использованием активного выпрямителя
С помощью программного комплекса MATLAB с расширением Simulink для исследований переходных процессов в автономной системе электроснабжения на базе синхронного генератора с приводом от вала отбора мощности газовой турбины была исследована имитационная модель. Анализ работы системы показал хорошие результаты по качеству выходного напряжения при изменении нагрузки [6] (рис. 3). Осциллограмма изменения выходного напряжения при работе системы управления при увеличении частоты вращения вала на 5 % имеет едва заметное изменение, что показывает очень быструю реакцию системы управления.
Рис. 3. График изменения выходного напряжения при работе системы регулирования при резком сбросе нагрузки
Выводы. Результаты проведенных опытов на разработанной имитационной модели показывают, что система автономного электроснабжения на базе синхронного генератора на постоянных магнитах с помощью системы стабилизации способна обеспечить требуемое качество электроэнергии для электропринимающих установок потребителя при резком изменении нагрузки и скорости вращения ротора генератора. Посредством разработанной системы управления работой активного выпрямителя удалось снизить негативное влияние ПЧ на работу синхронного генератора с изменяемой скоростью вращения ротора.
Авторлар туралы
Yuri Gagarin State Technical University of Saratov
Хат алмасуға жауапты Автор.
Email: rozhnov.iu@yandex.ru
аспирант, институт энергетики, кафедра «Электроэнергетика и электротехника»
Ресей, СаратовӘдебиет тізімі
- Shin K.H., Bang T.K., Cho H.W., Choi J.Y. Design and analysis of high-speed permanent magnet synchronous generator with rotor structure considering electromechanical characteristics // IEEE Transactions on Applied Superconductivity. 2020. Vol. 30, N 4. P. 1–5. doi: 10.1109/TASC.2020.2980536
- Artyukhov I., Stepanov S., Zemtsov A. Transient Processes in the Microgrid Based on a Group of Autonomous Operating Synchronous Generators // 10th International Scientific Symposium on Electrical Power Engineering (ELEKTROENERGETIKA 2019). Stara Lesna, Slovakia, 16–18 September 2019. P. 133–138. EDN: UNGRQZ
- Рожнов И.Ю., Артюхов И.И. Повышение надежности электроснабжения газокомпрессорных станций за счет применения генераторов собственных нужд газоперекачивающих агрегатов // Материалы XVI Международной научно-технической конференции. Саратов: СГТУ им. Гагарина Ю.А., 2022. Т. 11. С. 184–190. EDN: PMSVPH
- Земцов А.И. Повышение эффективности электроснабжения газокомпрессорного цеха за счет формирования микросети на основе генераторов собственных нужд газоперекачивающих агрегатов // Градостроительство и архитектура. 2019. Т. 9, № 3(36). С. 175–180. doi: 10.17673/Vestnik.2019.03.22 EDN: ZRVWAV
- Rozhnov I.Y., Artyukhov I.I. Autonomous power supply system based on gas turbine units of the compressor station // 2023 international Ural conference on electrical power engineering (UralCon). Magnitogorsk: Russian Federation, 2023. P. 215–220. doi: 10.1109/UralCon59258.2023.10291153
- Рожнов И.Ю., Гайнуллин Ш.А., Артюхов И.И. Уменьшение негативного влияния преобразователя частоты на синхронный генератор с изменяемой скоростью вращения ротора // Вопросы электротехнологии. 2023. № 1(38). С. 68–74. EDN: ZWBBVK
Қосымша файлдар






